Free shipping* on website orders over $100 | $15 shipping on orders over $50. (Extrusion, Laminate Panels and sheet foam are excluded from free shipping).

Search

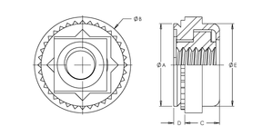
Self-Clinching Nut, Floating, 300 Series Stainless Steel, Passivated, Metric, M3x0.5 x 2, 100 Pack

Specifications :

  • MFG Part Number : CFACM3-2
  • Product Group: CFAC
  • Material: Stainless Steel; 300 Series
  • Finish: Passivated
  • Thread Type: Metric
  • Thread Size: M3x0.5
  • Thread Code: M3
  • Hole Diameter: 7.37 +0.08 -0.00
  • Sheet Thickness: 1.38
  • Dim A Max.: 7.35
  • Dim B: 9.14 ±0.38
  • Dim C Max.: 3.31
  • Dim D Max.: 1.37
  • Dim E Max.: 7.37
  • CL to Edge Distance: 7.62
  • CRS Installation Force: 13.3 kN
  • CRS Push Out: 1334 N
  • CRS Torque Out: 16.9 N-m
  • 5052 H34 Aluminum Installation Force: 8.9 kN
  • 5052 H34 Aluminum Push Out: 1000 N
  • 5052 H34 Aluminum Torque Out: 9.0 N-m
  • AL 2024-T3 Installation Force: 13.3 kN
  • AL 2024-T3 Push Out Force: 1000 N