Free shipping* on website orders over $100 | $15 shipping on orders over $50. (Extrusion, Laminate Panels and sheet foam are excluded from free shipping).

Search

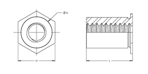
Self-Clinching Standoff, Thin Sheet, 300 Series Stainless Steel, Passivated, M2.5x0.45 x 2, Full Thread, Hole Dia.: 4.22, 100 Pack

Specifications :

  • MFG Part Number : CFTSM2.5-200
  • Product Group: CFTS
  • Material: Stainless Steel; 300 Series
  • Finish: Passivated
  • Thread Type: Metric
  • Thread Size: M2.5x0.45
  • Thread Code: M2.5
  • Hole Diameter: 4.22 +0.08 -0.00
  • Sheet Thickness: 0.63
  • Dim A: 4.20 +0.00 -0.13
  • Dim H Nom.: 4.8
  • Dim L: 2.00 ±0.08
  • Dim T Min.: 5.2
  • CL to Edge Distance: 5.8
  • .640mm CRS Installation Force: 8.9 kN
  • .640mm CRS Push Out: 445 N
  • .640mm CRS Torque Out: 1.0 N-m
  • .640mm 5052-H34 Aluminum Intallation Force: 6.7 kN
  • .640mm 5052-H34 Aluminum Push Out: 311 N
  • .640mm 5052-H34 Aluminum Torque Out: 0.68 N-m