Free shipping* on website orders over $100 | $15 shipping on orders over $50. (Extrusion, Laminate Panels and sheet foam are excluded from free shipping).

Search

Self-Clinching Standoff, Thin Sheet, 7075-T6 Aluminum, 2-56 x 0.090, Full Thread, Hole Dia.: 0.213, 100 Pack

Specifications :

  • MFG Part Number : CFTA6256-.090
  • Product Group: CFTA
  • Material: Aluminum; 7076-T6
  • Finish: None
  • Thread Type: Imperial
  • Thread Size: 2-56 UNC
  • Thread Code: 256
  • Hole Diameter: 0.213 +0.003 -0.000
  • Sheet Thickness: 0.025
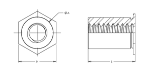
  • Dim A: 0.212 +0.000 -0.005
  • Dim H Nom.: 0.25
  • Dim L: 0.090 ±0.003
  • Dim T Min.: 0.2
  • CL to Edge Distance: 0.27
  • .025in Steel Installation Force: NR
  • .025in Steel Push Out: N/A
  • .025in Steel Torque Out: NR
  • .025in 5052-H34 Aluminum Installation Force: 1800 lbs
  • .025in 5052-H34 Aluminum Push Out: 90 lbs
  • .025in 5052-H34 Aluminum Torque Out: 11 in-lbs