Free shipping* on website orders over $100 | $15 shipping on orders over $50. (Extrusion, Laminate Panels and sheet foam are excluded from free shipping).

Search

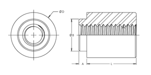
Nut Spacer, Reel Mounted, Steel, Electro Tin, M2.5x0.45 x 2, 100 Pack

Specifications :

  • MFG Part Number : CRM-M2.5-2
  • Product Group: CRM
  • Material: Steel
  • Finish: Electro Tin
  • Thread Type: Metric
  • Thread Size: M2.5x0.45
  • Thread Code: M2.5
  • Hole Diameter: 4.22 +0.08 -0.00
  • Sheet Thickness: 1.53
  • Dim A Max.: 1.53
  • Dim B Max.: 4.09
  • Dim D: 5.56 ±0.13
  • Dim L: 2.00 ±0.13
  • Solder Pad Diameter Min.: 6.2