Free shipping* on website orders over $100 | $15 shipping on orders over $50. (Extrusion, Laminate Panels and sheet foam are excluded from free shipping).

Search

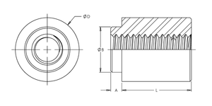
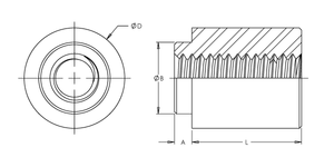
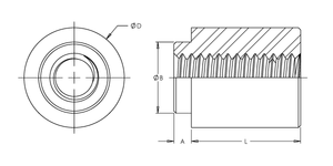
Nut Spacer, Reel Mounted, Steel, Electro Tin, 2-56 x 0.125, 100 Pack

Specifications :

  • MFG Part Number : CRM-256-4
  • Product Group: CRM
  • Material: Steel
  • Finish: Electro Tin
  • Thread Type: Imperial
  • Thread Size: 2-56 UNC
  • Thread Code: 256
  • Hole Diameter: 0.147 +0.003 -0.000
  • Sheet Thickness: 0.06
  • Dim A Max.: 0.06
  • Dim B Max.: 0.142
  • Dim D: 0.219 ±0.005
  • Dim L: 0.125 ±0.005
  • Solder Pad Diameter Min.: 0.244