Free shipping* on website orders over $100 | $15 shipping on orders over $50. (Extrusion, Laminate Panels and sheet foam are excluded from free shipping).

Search

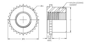
Self-Clinching Nut, Top Collar Lock Self-Clinching Nut, 300 Series Stainless Steel, Passivated, 8-32, 100 Pack

Specifications :

  • MFG Part Number : CPLC832
  • Product Group: CPLC
  • Material: Stainless Steel; 300 Series
  • Finish: Passivated
  • Thread Type: Imperial
  • Thread Size: 8-32 UNC
  • Thread Code: 832
  • Hole Diameter: 0.297 +0.003 -0.00
  • Sheet Thickness: 0.040-0.070
  • Dim A Max.: 0.296
  • Dim B Max.: 0.338
  • Dim C Max.: 0.155
  • Dim D Max.: 0.278
  • CL to Edge Distance: 0.184
  • .060in CRS Max Tightening Torque: 19.1 in-lbs
  • .060in CRS Installation Force: 3000 lbs
  • .060in CRS Push Out: 290 lbs
  • .060in CRS Torque Out: 60 in-lbs
  • .060in 5052 H34 Aluminum Installation Force: 2000 lbs
  • .060in 5052 H34 Aluminum Push Out: 290 lbs
  • .060in 5052 H34 Aluminum Torque Out: 60 in-lbs