Free shipping* on website orders over $100 | $15 shipping on orders over $50. (Extrusion, Laminate Panels and sheet foam are excluded from free shipping).

Search

Self-Clinching Panel Fastener, 300 Series Stainless Steel, Passivated, Metric, M6x1.0 x 12.7, 50 Pack

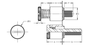
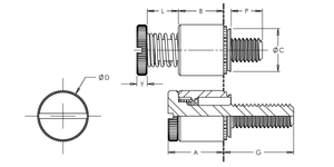
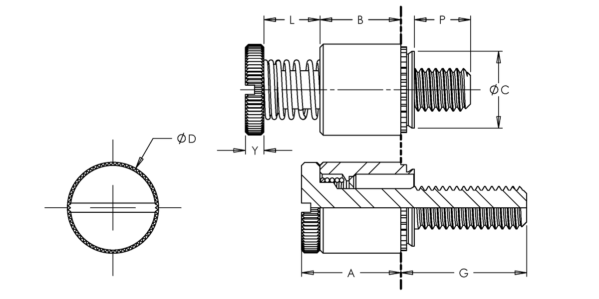
Specifications :

  • MFG Part Number : CPFC2M6-82
  • Product Group: CPFC2
  • Material: Stainless Steel; 300 Series
  • Finish: Passivated
  • Thread Type: Metric
  • Thread Size: M6x1.0
  • Thread Code: M6
  • Hole Diameter: 10.49 +0.08 -0.00
  • Sheet Thickness: 1.53
  • Dim A Max.: 14.73
  • Dim B: 12.00 ±0.25
  • Dim C Max.: 10.47
  • Dim D: 11.89 +0.4 -0.25
  • Dim G: 12.7 ±0.4
  • Dim L: 7.9 ±0.4
  • Dim P: 3.2 ±0.4
  • Dim Y: 2.46 ±0.13
  • CL to Edge Distance: 9.65
  • CRS Installation Force: 22.2 kN
  • CRS Push Out: 2669 N
  • 5052 H34 Aluminum Installation Force: 15.6 kN
  • 5052 H34 Aluminum Push Out: 1779 N