Free shipping* on website orders over $100 | $15 shipping on orders over $50. (Extrusion, Laminate Panels and sheet foam are excluded from free shipping).

Search

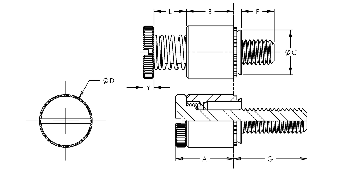
Self-Clinching Panel Fastener, 300 Series Stainless Steel, Passivated, 10-32 x 0.437, 100 Pack

Specifications :

  • MFG Part Number : CPFC21032-72
  • Product Group: CPFC2
  • Material: Stainless Steel; 300 Series
  • Finish: Passivated
  • Thread Type: Imperial
  • Thread Size: 10-32 UNF
  • Thread Code: 1032
  • Hole Diameter: 0.344 +0.003 -0.000
  • Sheet Thickness: 0.06
  • Dim A Max.: 0.45
  • Dim B: 0.360 ±0.010
  • Dim C Max.: 0.343
  • Dim D: 0.406+0.016 -0.010
  • Dim G: 0.437 ±0.016
  • Dim L: 0.250 ±0.016
  • Dim P: 0.125 ±0.016
  • Dim Y: 0.082 ±0.005
  • CL to Edge Distance: 0.34
  • CRS Installation Force: 4000 lbs
  • CRS Push Out: 500 lbs
  • 5052 H34 Aluminum Installation Force: 18-32 kN
  • 5052 H34 Aluminum Push Out: 1580 N
  • 5052 H34 Aluminum Torque Out: 14.10 N-m