Free shipping* on website orders over $100 | $15 shipping on orders over $50. (Extrusion, Laminate Panels and sheet foam are excluded from free shipping).

Search

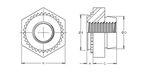
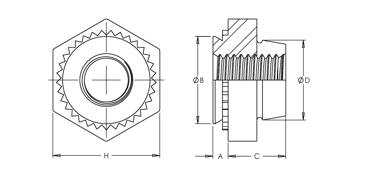
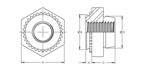
Self-Clinching Nut, Locking Thread, 300 Series Stainless Steel, Black Dry Film Lubricant, Metric, M5x0.8 x 1, 100 Pack

Specifications :

  • MFG Part Number : CRTSM5-1
  • Product Group: CRTS
  • Material: Stainless Steel; 300 Series
  • Finish: Black Dry Film Lubricant
  • Thread Type: Metric
  • Thread Size: M5x0.8
  • Thread Code: M5
  • Hole Diameter: 7.92 +0.08 -0.00
  • Sheet Thickness: 1
  • Dim A Max.: 0.97
  • Dim B Max.: 7.9
  • Dim C: 5.21 ±0.25
  • Dim D Max.: 7.4
  • Dim H Nom.: 9.53
  • CL to Edge Distance: 5.6
  • CRS Installation Force: 17.8 kN
  • CRS Push Out: 1112 N
  • CRS Torque Out: 11.3 N-m
  • 5052 H34 Aluminum Installation Force: 14.2 kN
  • 5052 H34 Aluminum Push Out: 667 N
  • 5052 H34 Aluminum Torque Out: 10.2 N-m