Free shipping* on website orders over $100 | $15 shipping on orders over $50. (Extrusion, Laminate Panels and sheet foam are excluded from free shipping).

Search

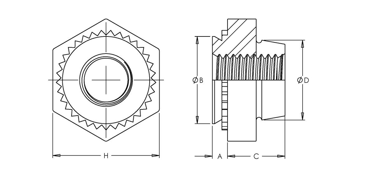
Self-Clinching Nut, Locking Thread, 7075 Aluminum, 6-32 x 1, 100 Pack

Specifications :

  • MFG Part Number : CRTA632-1
  • Product Group: CRTA
  • Material: Aluminum; 7076-T6
  • Finish: None
  • Thread Type: Imperial
  • Thread Size: 6-32 UNC
  • Thread Code: 632
  • Hole Diameter: 0.219 +0.003 -0.00
  • Sheet Thickness: 0.04
  • Dim A Max.: 0.038
  • Dim B Max.: 0.218
  • Dim C: 0.145 ±0.010
  • Dim D Max.: 0.22
  • Dim H Nom.: 0.312
  • CL to Edge Distance: 0.187
  • CRS Installation Force: 4000 lbs
  • CRS Push Out: 150 lbs
  • CRS Torque Out: 45 in-lbs
  • 5052 H34 Aluminum Installation Force: 2400 lbs.
  • 5052 H34 Aluminum Push Out: 130 lbs.
  • 5052 H34 Aluminum Torque Out: 25 in-lbs.