Free shipping* on website orders over $100 | $15 shipping on orders over $50. (Extrusion, Laminate Panels and sheet foam are excluded from free shipping).

Search

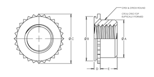
Self-Clinching Nut, Self-Locking Thread, Stainless Steel, Black Dry Film Lubricant, 10-32 x 0.04, 100 Pack

Specifications :

  • MFG Part Number : CFEO1032ML
  • Product Group: CFEO
  • Material: Stainless Steel; 300 Series
  • Finish: Black Dry Film Lubricant
  • Thread Type: Imperial
  • Thread Size: 10-32 UNF
  • Thread Code: 1032
  • Hole Diameter: 0.290 +0.003 -0.00
  • Sheet Thickness: 0.039
  • Dim A Max.: 0.245
  • Dim B Max.: 0.289
  • Dim C: 0.322 ±0.005
  • Dim D Max.: 0.04
  • Dim E: 0.110 +0.015 -0.000
  • CL to Edge Distance: 0.2
  • Installation Sheet Thickness: 0.040 in
  • CRS Installation Force: 2500 lbs
  • CRS Push Out: 260 lbs
  • CRS Torque Out: 48 in-lbs
  • 5052 H34 Aluminum Installation Force: 1500 lbs
  • 5052 H34 Aluminum Push Out: 155 lbs
  • 5052 H34 Aluminum Torque Out: 48 in-lbs