Free shipping* on website orders over $100 | $15 shipping on orders over $50. (Extrusion, Laminate Panels and sheet foam are excluded from free shipping).

Search

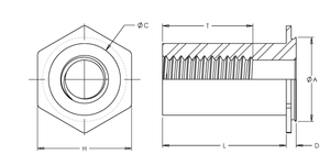
Self-Clinching Standoff, Concealed Head, 300 Series Stainless Steel, Passivated, 10-32 x 1.000, Sheet Thick.: 0.062, 100 Pack

Specifications :

  • MFG Part Number : CFHS-1-1032-16
  • Product Group: CFHS-1
  • Material: Stainless Steel; 300 Series
  • Finish: Passivated
  • Thread Type: Imperial
  • Thread Size: 10-32 UNF
  • Thread Code: 1032
  • Hole Diameter: 0.344 +0.003 -0.000
  • Sheet Thickness: 0.062
  • Dim A Max.: 0.343
  • Dim C Max.: 0.29
  • Dim D Max.: 0.041
  • Dim H Nom.: 0.375
  • Dim L: 1.000 +0.002 -0.005
  • Dim T Min.DepthFullThread: 0.375
  • CL to Edge Distance: 0.281
  • Depth of Blind Hole: 0.043 +0.003 -0.000
  • Max Nut Tightening Torque: 32.00 in-lbs.
  • CRS Installation Force: 5500 lbs
  • CRS Pull Out: 450 lbs.
  • 5052 H34 Aluminum Installation Force: 5000 lbs.
  • 5052 H34 Aluminum Pull Out: 290 lbs.