Free shipping* on website orders over $100 | $15 shipping on orders over $50. (Extrusion, Laminate Panels and sheet foam are excluded from free shipping).

Search

Self-Clinching Nuts, Blind, 300 Series Stainless Steel, Passivated, Metric, M4x0.7 x 1, 100 Pack

Specifications :

  • MFG Part Number : CFBSM4-1
  • Product Group: CFBS
  • Material: Stainless Steel; 300 Series
  • Finish: Passivated
  • Thread Type: Metric
  • Thread Size: M4x0.7
  • Thread Code: M4
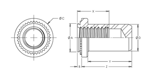
  • Hole Diameter: 5.41 +0.08 -0.00
  • Sheet Thickness: 1
  • Dim A Max. Shank Dia.: 5.38
  • Dim B Max.: 0.97
  • Dim C: 7.95 ±0.25
  • Dim D Max. Barrel Dia.: 5.2
  • X Min. Depth Full Thread: 7.1
  • Dim Y Max.: 9.8
  • Dim Z: 11.20 ±0.25
  • CL to Edge Distance: 6.9
  • CRS Installation Force: 15.6 kN
  • CRS Push Out: 600 N
  • CRS Torque Out: 3.4 N-m
  • 5052 H34 Aluminum Installation Force: 8.9 kN
  • 5052 H34 Aluminum Push Out: 470 N
  • 5052 H34 Aluminum Torque Out: 2.6 N-m