Free shipping* on website orders over $100 | $15 shipping on orders over $50. (Extrusion, Laminate Panels and sheet foam are excluded from free shipping).

Search

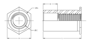
Self-Clinching Standoff, Through Threaded, 7075-T6 Aluminum, 8-32 x 0.125, 100 Pack

Specifications :

  • MFG Part Number : CFSOA832-4
  • Product Group: CFSOA
  • Material: Aluminum; 7075-T6
  • Finish: None
  • Thread Type: Imperial
  • Thread Size: 8-32 UNC
  • Thread Code: 832
  • Sheet Thickness: 0.05
  • Dim A: 0.280 +0.000 -0.005
  • Dim C: 0.188 ±0.005
  • Dim H Nom.: 0.312
  • Dim L: 0.125 +0.002 -0.005
  • CL to Edge Distance: 0.31
  • Max Nut Tightening Torque: 11.00 in- lbs
  • .060in CRS Installation Force: NR
  • .060in CRS Push Out: nr
  • .060in CRS Torque Out: nr
  • .060in CRS Pull Through: NR
  • .060in 5052 H34 Aluminum Installation Force: 2400 lbs
  • .060in 5052 H34 Aluminum Push Out: 400 lbs
  • .060in 5052 H34 Aluminum Torque Out: 45 in- lbs
  • .060in 5052 H34 Aluminum Pull Through: 348 lbs