Free shipping* on website orders over $100 | $15 shipping on orders over $50. (Extrusion, Laminate Panels and sheet foam are excluded from free shipping).

Search

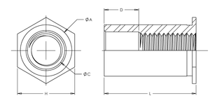
Self-Clinching Standoff, Thru Threaded For SS Sheets, 400 Series Stainless Steel, Passivated, 4-40 x 0.562, Hole Dia.: 0.250, 100 Pack

Specifications :

  • MFG Part Number : CF4-SO6440-18
  • Product Group: CF4-SO
  • Material: Stainless Steel; 400 Series
  • Finish: Passivated
  • Thread Type: Imperial
  • Thread Size: 4-40 UNC
  • Thread Code: 440
  • Hole Diameter: 0.213 +0.003 -0.000
  • Sheet Thickness: 0.04
  • Dim A: 0.212 +0.000 -0.005
  • Dim C: 0.125 ±0.005
  • Dim D: 0.187 ±0.010
  • Dim H Nom.: 0.25
  • Dim L: 0.562 +0.002 -0.005
  • CL to Edge Distance: 0.27
  • .050in SS Recommended Tightening Torque: 4.75 in-lbs
  • .050in SS Installation Force: 9500 lbs
  • .050in SS Push Out: 647 lbs
  • .050in SS Torque Out: 30 in-lbs
  • .050in SS Pull Through: 680 lbs