Free shipping* on website orders over $100 | $15 shipping on orders over $50. (Extrusion, Laminate Panels and sheet foam are excluded from free shipping).

Search

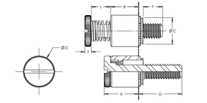
Self-Clinching Panel Fastener, 300 Series Stainless Steel, Passivated, Metric, M3x0.5 x 12.7, 100 Pack

Specifications :

  • MFG Part Number : CPFC2M3-84
  • Product Group: CPFC2
  • Material: Stainless Steel; 300 Series
  • Finish: Passivated
  • Thread Type: Metric
  • Thread Size: M3x0.5
  • Thread Code: M3
  • Hole Diameter: 6.73 +0.08 -0.00
  • Sheet Thickness: 1.53
  • Dim A Max.: 9.14
  • Dim B: 7.20 ±0.25
  • Dim C Max.: 6.71
  • Dim D: 7.92 +0.4 -0.25
  • Dim G: 12.7 ±0.4
  • Dim L: 4.8 ±0.4
  • Dim P: 6.4 ±0.4
  • Dim Y: 1.83 ±0.13
  • CL to Edge Distance: 6.35
  • CRS Installation Force: 13.3 kN
  • CRS Push Out: 1334 N
  • 5052 H34 Aluminum Installation Force: 10.7 kN
  • 5052 H34 Aluminum Push Out: 1068 N