Free shipping* on website orders over $100 | $15 shipping on orders over $50. (Extrusion, Laminate Panels and sheet foam are excluded from free shipping).

Search

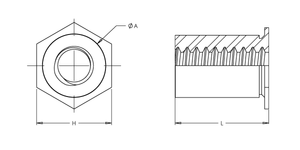
Self-Clinching Standoff, Thin Sheet, Steel, Zinc, 2-56 x 0.125, Full Thread, Hole Dia.: 0.166, 100 Pack

Specifications :

  • MFG Part Number : CFT256-.125
  • Product Group: CFT
  • Material: Steel; Heat Treated
  • Finish: Zinc Clear
  • Thread Type: Imperial
  • Thread Size: 2-56 UNC
  • Thread Code: 256
  • Hole Diameter: 0.166 +0.003 -0.000
  • Sheet Thickness: 0.025
  • Dim A: 0.165 -0.005
  • Dim H Nom.: 0.187
  • Dim L: 0.125 ±0.003
  • Dim T Min.: 0.2
  • CL to Edge Distance: 0.23
  • .025in Steel Installation Force: 2000 lbs
  • .025in Steel Push Out: 100 lbs
  • .025in Steel Torque Out: 9 in-lbs
  • .025in 5052-H34 Aluminum Installation Force: 1500 lbs
  • .025in 5052-H34 Aluminum Push Out: 70 lbs
  • .025in 5052-H34 Aluminum Torque Out: 6 in-lbs