Free shipping* on website orders over $100 | $15 shipping on orders over $50. (Extrusion, Laminate Panels and sheet foam are excluded from free shipping).
Call: 1 800 465 6281
We are North America's exclusive distributor of Italtronic.
Add your deal, information or promotional text


$99,999.00 USD
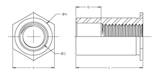
Specifications :
Custom Solutions
Dedicated Support
Fast Shipping
Secure Online Ordering