Free shipping* on website orders over $100 | $15 shipping on orders over $50. (Extrusion, Laminate Panels and sheet foam are excluded from free shipping).

Search

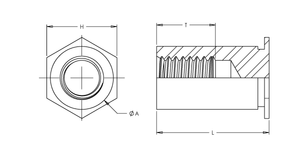
Self-Clinching Standoff, Blind Thread, 300 Series Stainless Steel, Passivated, 4-40 x 0.312, Hole Dia.: 0.166, 100 Pack

Specifications :

  • MFG Part Number : CFBSOS440-10
  • Product Group: CFBSOS
  • Material: Stainless Steel; 300 Series
  • Finish: Passivated
  • Thread Type: Imperial
  • Thread Size: 4-40 UNC
  • Thread Code: 440
  • Hole Diameter: 0.166 +0.003 -0.000
  • Sheet Thickness: 0.04
  • Dim A: 0.165 +0.000 -0.005
  • Dim H Nom.: 0.187
  • Dim L: 0.312 +0.002 -0.005
  • Dim T Min.: 0.156
  • CL to Edge Distance: 0.23
  • Max Nut Tightening Torque: 3.8 in-lbs
  • .060in CRS Installation Force: 2200 lbs
  • .060in CRS Push Out: 225 lbs
  • .060in CRS Torque Out: 19 in-lbs
  • .060in CRS Pull Through: 264 lbs
  • .060in 5052 H34 Aluminum Installation Force: 1100 lbs
  • .060in 5052 H34 Aluminum Push Out: 160 lbs
  • .060in 5052 H34 Aluminum Torque Out: 11 in-lbs
  • .060in 5052 H34 Aluminum Pull Through: 224 lbs