Free shipping* on website orders over $100 | $15 shipping on orders over $50. (Extrusion, Laminate Panels and sheet foam are excluded from free shipping).

Search

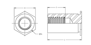
Self-Clinching Standoff, Blind Thread, Steel, Zinc, 4-40 x 0.937, Hole Dia.: 0.213, 100 Pack

Specifications :

  • MFG Part Number : CFBSO6440-30
  • Product Group: CFBSO
  • Material: Steel; Heat Treated
  • Finish: Zinc Clear
  • Thread Type: Imperial
  • Thread Size: 4-40 UNC
  • Thread Code: 440
  • Hole Diameter: 0.213 +0.003 -0.000
  • Sheet Thickness: 0.04
  • Dim A: 0.212 +0.000 -0.005
  • Dim H Nom.: 0.25
  • Dim L: 0.937 +0.002 -0.005
  • Dim T Min.: 0.375
  • CL to Edge Distance: 0.27
  • Max Nut Tightening Torque: 4.75 in-lbs
  • .060in CRS Installation Force: 3300 lbs
  • .060in CRS Push Out: 420 lbs
  • .060in CRS Torque Out: 35 in-lbs
  • .060in CRS Pull Through: 380 lbs
  • .060in 5052 H34 Aluminum Installation Force: 1700 lbs
  • .060in 5052 H34 Aluminum Push Out: 300 lbs
  • .060in 5052 H34 Aluminum Torque Out: 25 in-lbs
  • .060in 5052 H34 Aluminum Pull Through: 310 lbs