Free shipping* on website orders over $100 | $15 shipping on orders over $50. (Extrusion, Laminate Panels and sheet foam are excluded from free shipping).

Search

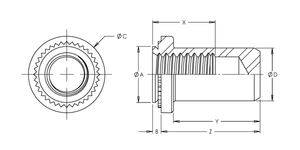
Self-Clinching Nuts, Blind, 300 Series Stainless Steel, Passivated, Metric, M5x0.8 x 2, 100 Pack

Specifications :

  • MFG Part Number : CFBSM5-2
  • Product Group: CFBS
  • Material: Stainless Steel; 300 Series
  • Finish: Passivated
  • Thread Type: Metric
  • Thread Size: M5x0.8
  • Thread Code: M5
  • Hole Diameter: 6.35 +0.08 -0.00
  • Sheet Thickness: 1.4
  • Dim A Max. Shank Dia.: 6.33
  • Dim B Max.: 1.38
  • Dim C: 8.75 ±0.25
  • Dim D Max. Barrel Dia.: 6.02
  • X Min. Depth Full Thread: 7.1
  • Dim Y Max.: 9.8
  • Dim Z: 11.20 ±0.25
  • CL to Edge Distance: 7.1
  • CRS Installation Force: 25 kN
  • CRS Push Out: 1112 N
  • CRS Torque Out: 6.8 N-m
  • 5052 H34 Aluminum Installation Force: 14 kN
  • 5052 H34 Aluminum Push Out: 845 N
  • 5052 H34 Aluminum Torque Out: 5.7 N-m