Free shipping* on website orders over $100 | $15 shipping on orders over $50. (Extrusion, Laminate Panels and sheet foam are excluded from free shipping).

Search

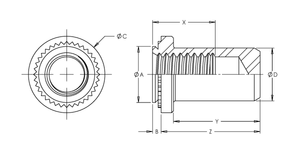
Self-Clinching Nut, Blind, Steel, Zinc Clear, 10-32 x 1, 100 Pack

Specifications :

  • MFG Part Number : CFB1032-1
  • Product Group: CFB
  • Material: Steel; Heat Treated
  • Finish: Zinc Clear
  • Thread Type: Imperial
  • Thread Size: 10-32 UNF
  • Thread Code: 1032
  • Hole Diameter: 0.250 +0.003 -0.00
  • Sheet Thickness: 0.04
  • Dim A Max. Shank Dia.: 0.249
  • Dim B Max.: 0.038
  • Dim C: 0.340 ±0.010
  • Dim D Max. Barrel Dia.: 0.235
  • X Min. Depth Full Thread: 0.28
  • Dim Y Max.: 0.385
  • Dim Z: 0.440 ±0.010
  • CL to Edge Distance: 0.28
  • CRS Installation Force: 4000 lbs
  • CRS Push Out: 140 lbs
  • CRS Torque Out: 35 in-lbs
  • 5052 H34 Aluminum Installation Force: 2100 lbs
  • 5052 H34 Aluminum Push Out: 110 lbs
  • 5052 H34 Aluminum Torque Out: 32 in-lbs